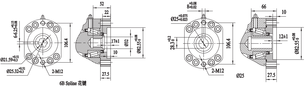
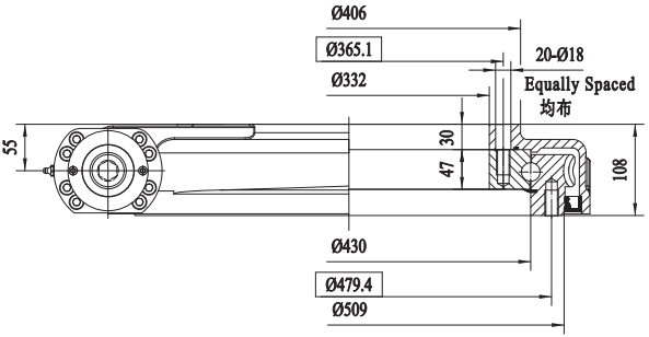
WEA17
发布时间:2021/02/01 WEA系列 浏览次数:2871
| 项目/Item WEA17 | 数值 Value | 单位 Unit |
| 输出转矩/Output Torque | 12.96 | kN.m |
| 倾覆力矩/Tilting Moment Torque | 142.4 | kN.m |
| 保持力矩/Holding Torque | 72.3 | kN.m |
| 轴向静载荷/Static Axial Rating | 1166 | kN |
| 径向静载荷/Static Radial Rating | 435 | kN |
| 轴向动载荷/Dynamic Axial Rating | 280 | kN |
| 径向动载荷/Dynamic Radial Rating | 231 | kN |
| 减速比/Gear Ratio | 104:1 | — |
| 精度等级/Tracking Precision | ≤0.1 | ° |
| 重量/Weight | 96 | kg |
相关推荐
获取方案报价







