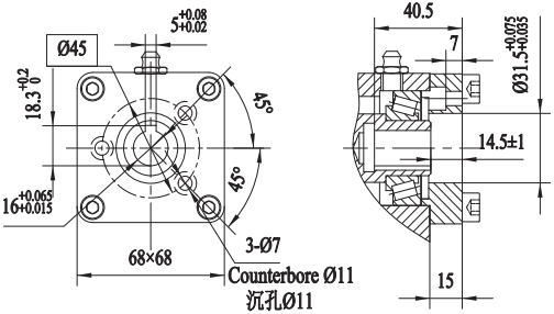
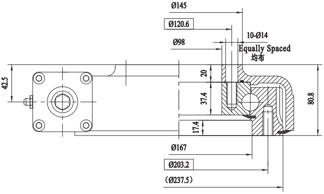
SE7/PE7
发布时间:2021/02/01 SE/PE系列 浏览次数:3874
| 项目/Item SE7&PE7 | 数值 Value | 单位 Unit |
| 输出转矩/Output Torque | 1500 | N.m |
| 倾覆力矩/Tilting Moment Torque | 13500 | N.m |
| 保持力矩/Holding Torque | 10400 | N.m |
| 轴向静载荷/Static Axial Rating | 133 | kN |
| 径向静载荷/Static Radial Rating | 53 | kN |
| 轴向动载荷/Dynamic Axial Rating | 32 | kN |
| 径向动载荷/Dynamic Radial Rating | 28 | kN |
| 减速比/Gear Ratio | 73:1 | — |
| 精度等级/Tracking Precision | ≤0.2 ≤0.07/0.11 | ° |
| 重量/Weight | 25 | kg |
相关推荐
获取方案报价







