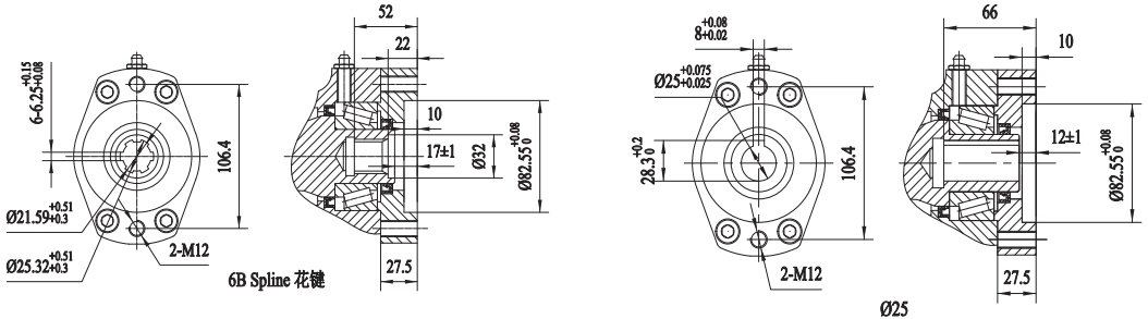
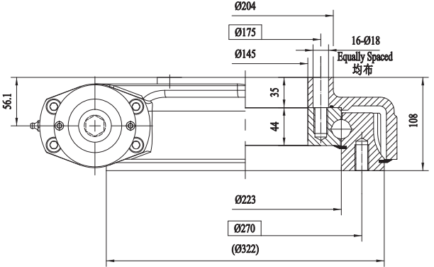
SE9/PE9
发布时间:2021/02/01 SE/PE系列 浏览次数:3574
| 项目/Item SE9&PE9 | 数值 Value | 单位 Unit |
| 输出转矩/Output Torque | 6.5 | kN.m |
| 倾覆力矩/Tilting Moment Torque | 33.9 | kN.m |
| 保持力矩/Holding Torque | 38.7 | kN.m |
| 轴向静载荷/Static Axial Rating | 338 | kN |
| 径向静载荷/Static Radial Rating | 135 | kN |
| 轴向动载荷/Dynamic Axial Rating | 81 | kN |
| 径向动载荷/Dynamic Radial Rating | 71 | kN |
| 减速比/Gear Ratio | 61:1 | — |
| 精度等级/Tracking Precision | ≤0.17 ≤0.07/0.09 | ° |
| 重量/Weight | 49 | kg |
相关推荐
获取方案报价







